首页
服务项目
工程师
经典案例
专家咨询
技术圈
登录 / 注册
通导助手
国际公约法规(含国/部/行标)
国标/部标/行标(中国)
JT/T 1415.4-2026 交通运
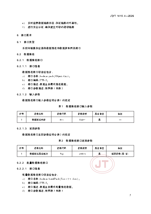
JT/T 1415.4-2026 交通运输数据资源交换与共享 第4部分:数据实时传输
国际公约法规(含国/部/行标) / 国标/部标/行标(中国)
78阅读
2026-02-26
交通运输数据资源交换与共享 第4部分:数据实时传输