首页
服务项目
工程师
经典案例
专家咨询
技术圈
登录 / 注册
通导助手
船级社规范(含中国海事局)
Others 其它
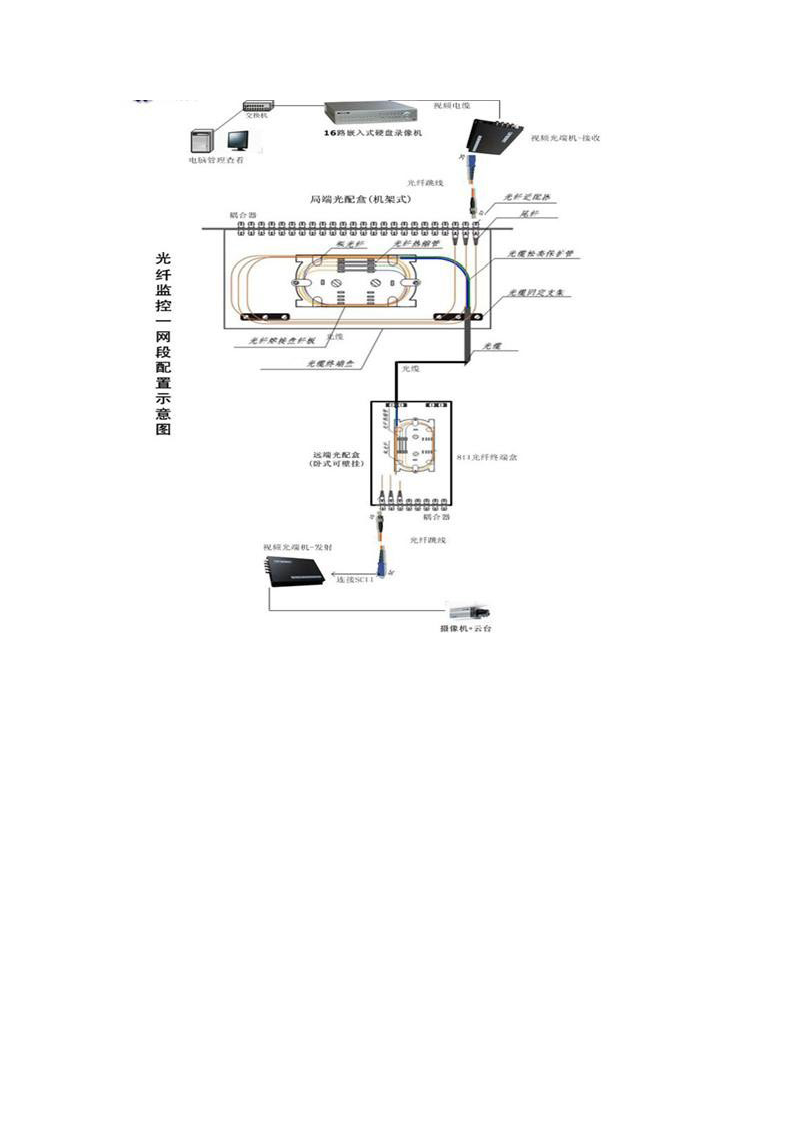
监控视频系统(CCTV)拓扑图
监控视频系统(CCTV)拓扑图
船级社规范(含中国海事局) / Others 其它
79阅读
2025-11-06
监控视频系统(CCTV)拓扑图