通导助手
国际公约法规(含国/部/行标)
GB/T 37937-2019 北斗卫
GB/T 37937-2019 北斗卫星授时终端技术要求
国际公约法规(含国/部/行标) / 国标/部标/行标(中国)
106阅读2025-04-25

GB/T 37937  北斗卫星授时终端技术要求

GBT 37937-2019  北斗卫星授时终端技术要求_1.Png

GBT 37937-2019 北斗卫星授时终端技术要求_2.Png

GBT 37937-2019 北斗卫星授时终端技术要求_3.Png

GBT 37937-2019 北斗卫星授时终端技术要求_4.Png

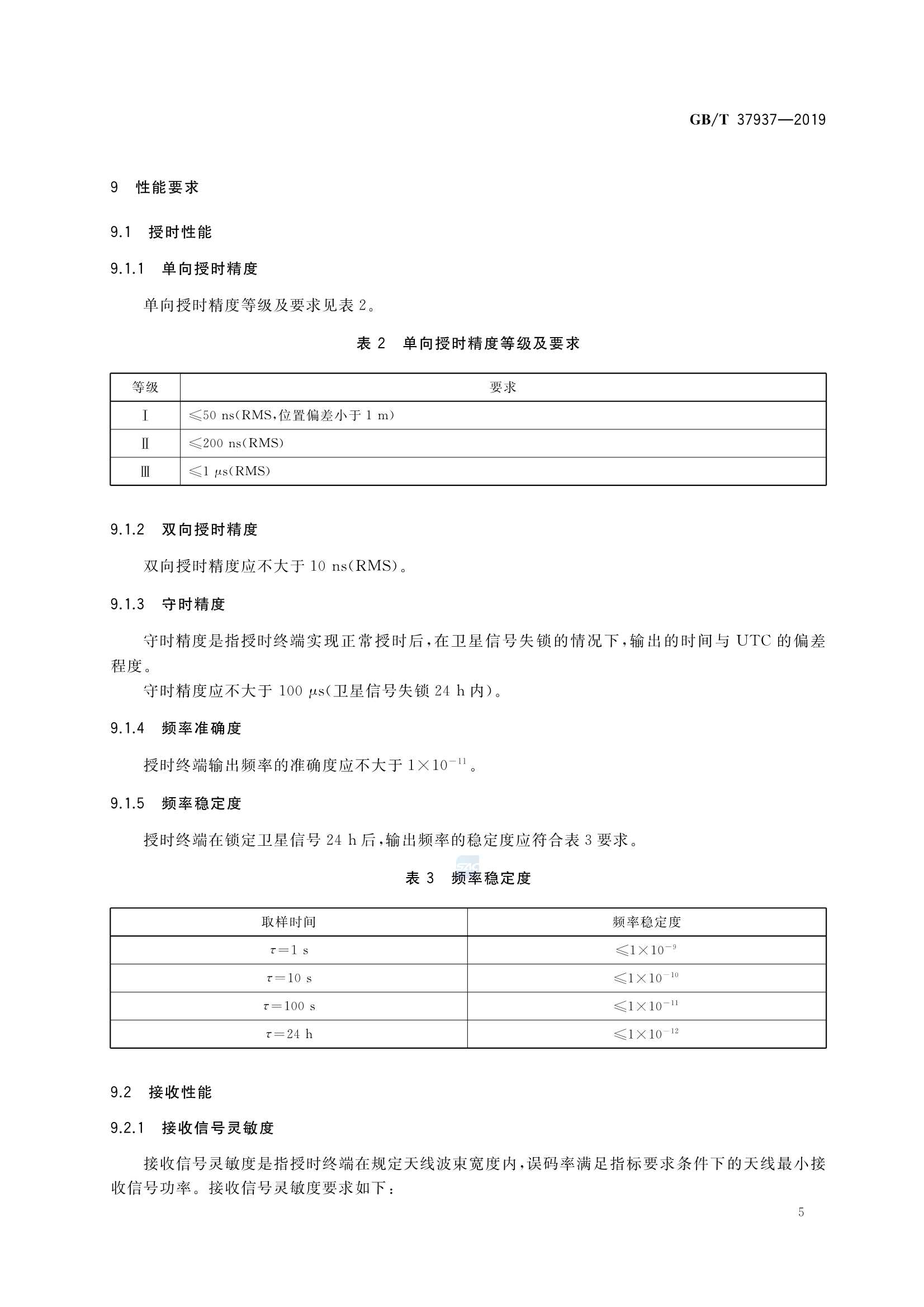
GBT 37937-2019 北斗卫星授时终端技术要求_5.Png

GBT 37937-2019 北斗卫星授时终端技术要求_6.Png

GBT 37937-2019 北斗卫星授时终端技术要求_7.Png

GBT 37937-2019 北斗卫星授时终端技术要求_8.Png

GBT 37937-2019 北斗卫星授时终端技术要求_9.Png

GBT 37937-2019 北斗卫星授时终端技术要求_10.Png

GBT 37937-2019 北斗卫星授时终端技术要求_11.Png

GBT 37937-2019 北斗卫星授时终端技术要求_12.Png

GBT 37937-2019 北斗卫星授时终端技术要求_13.Png